Chapter 1: Electrical Units
- Voltage: U or V
- Current: I
- Resistance: Ohms
- Power: Watts
- Watt-hour: Wh
- Amp-hour: Ah
Chapter 3: Basic Formulas
Ohms law: V=I × R
Power: P=V × I
Energy: E=P × t
Energy Cost: Energy Cost=Energy in kWh × Rate in cents per kWh
Amp Hours: Amp hours=Amps×hours
1W DC =1VA
Chapter 4: AC and DC
Direct= DC power
Alternating = AC power also known as a sine wave.


Chapter 5: Tools
Chapter 6: Equipment
- Wire lugs: get them at your local hardware store. The ones you find online are too thin.
- Crimp connectors: same as wire lugs.
- MC4 connectors
- Busbars
- Displays only use these for lead-acid batteries
- Cable gland
- Combiner box
- Fuses: MIDI, MEGA, ANL, T-Class: only buy name brand fuses
- DC isolator switch for battery
- DC isolator switch for solar panels

Chapter 7: Basic Circuitry

Chapter 8: Load Types
Chapter 9: Sizing Your Solar System
Chapter 10: Wiring
Chapter 11: Batteries
More information about batteries:
- Battery charging in series or parallel
- Multiple charge controllers to one battery
- How many batteries for a 3000W inverter?
- What is C-rate (video)


Chapter 12: Solar Panels

Chapter 13: Charge Controller



Chapter 14: Inverters





DC to DC charger wire and fuse size calculator here.
Chapter 15: Grounding





Chapter 16: DIY solar setup

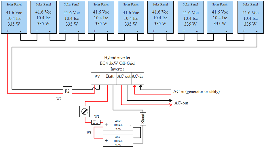
Chapter 17: Solar System Examples V1




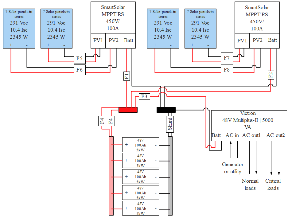
Chapter 17: Solar System Examples V2












